Артикул:
13502858
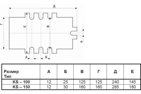
Сверлильные тиски Proma KS-100 25330450 служат для зажима обрабатываемой детали при работе на фрезерных и сверлильных станках. С тисками работа оператора становится гораздо безопаснее и удобнее. Продольная и поперечная подачи имеют ход 127 мм.
Преимущества тисков PROMA KS-100- Отличное качество;
- Долгий срок службы;
- Надежность конструкции.
Комплектация:
- Тиски;
- Упаковка.
Технические характеристики
Рабочий ход
102 мм
Класс товара
профессиональный
Тип
станочные
Ширина губок
100 мм
Функция поворота
нет
Применение
для фрезерных станков
Размер посадочных пазов
10х12 мм
Вес, габариты, упаковка
Вес, кг
9.41
Вес нетто
9.7 кг
Длина, мм
285
Ширина, мм
291
Высота, мм
162
Отзывы
Оставить отзыв
