Артикул:
15495328
Станочные самоцентрирующие тиски WILTON SCV/SP-100 WI11713EU предназначены для точного автоматического позиционирования деталей разных размеров при выполнении одинаковых операций. Корпус тисков выполнен из ковкого чугуна, подвергшегося закалке. Удобная рукоятка облегчает управление моделью. Поворотное основание со шкалой позволяет наиболее оптимально настроить положение детали. Губки высотой 38 мм гладко отшлифованы, что исключает возможность повреждения поверхности заготовки.
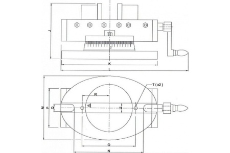
Размеры (см.схему):
J, мм 123
K, мм 243
L, мм 330
M, мм 176
N, мм 193
O, мм 118
P, мм 91
Q, мм 13
R, мм 61
S, мм 7
T, мм ¼*20 BSW
U, мм 14
Комплектация:
- Тиски;
- Упаковка.
Технические характеристики
Рабочий ход
100 мм
Класс товара
бытовой
Тип
станочные
Материал корпуса
чугун
Материал губок
сталь
Ширина губок
100 мм
Функция поворота
есть
Применение
для фрезерных станков
Вес, габариты, упаковка
Вес, кг
14.2
Вес нетто
14.3 кг
Длина, мм
280
Ширина, мм
200
Высота, мм
150
Отзывы
Оставить отзыв
